|
| ||||||||||||||||||||||||||||
Motory KAVAN PRO jsou vysokovýkonné bezkomutátorové (střídavé, "brushless") čtrnácti nebo vícepólové elektromotory s rotačním pláštěm ("outrunner") s vynikajícími elektrickými vlastnostmi, propracovanou konstrukcí a špičkovým výrobním zpracováním. Hřídele z tvrzené oceli a kvalitní ložiska zajišťují vysokou životnost, jakostní materiály použité pro zhotovení statoru i rotoru zaručují rovněž výborné výkonové parametry při vysoké účinnosti. Jsou to nízkootáčkové motory s velkým kroutícím momentem zvládající vrtule o velkém průměru i stoupání bez potřeby převodovky.
| Systém označování motorů: PRO xxYY-zzzz |
| PRO - střídavý motor s rotačním pláštěm ("outrunner", "oběžka") |
| xx - průměr motoru v mm |
| YY - délka motoru v mm |
| zzzz - počet otáček na volt (ot./min na V), „KV“ |
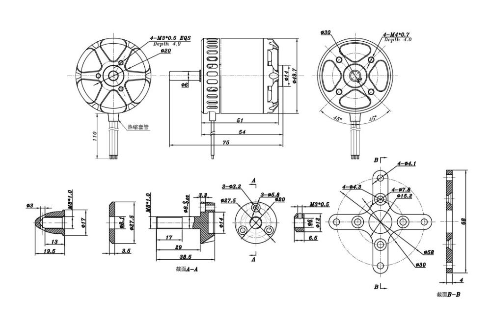
KAVAN PRO 5050-515
KAVAN PRO 5050-515 je střídavý motor učený pro pohon modelů s letovou hmotností do 5500 g s napájením z čtyř- až šestičlánkového akumulátoru LiPo. Výborně se hodí pro modely, do kterých byste dříve montovali spalovací motor 10-15 ccm.
Montáž motoru: KAVAN PRO 5050-515 je konstruován pro přední i zadní montáž. Při přední montáži za čelo motoru použijte čtyři šrouby M4, které zasahují do čela motoru v rozmezí 4-5 mm. Motorová přepážka by měla být z 6-8 mm letecké překližky. Sada pro zadní montáž (upevňovací kříž, unašeč vrtule pro zadní montáž) je dodávána spolu s motorem.
Sada motoru obsahuje: střídavý motor KAVAN PRO 5050-515 s kabely s připájenými 4 mm zlacenými konektory, sadu pro zadní montáž. Úplný návod k obsluze motoru si můžete stáhnout zde: Střídavé motory KAVAN PRO 5050+ - Návod k obsluze
Pozn.: Alternativní označení dle rozměrů statoru 4125-515.
| Napájení LiXX článků | 4 - 6 |
| Otáčky na volt [ot./min/V] | 515 |
| Max. výkon (30 s) [W] | 2000 |
| Vnitřní odpor [mOhm] | 17.4 |
| Proud naprázdno (při 10 V) [A] | 2 |
| Max. špičkový proud (30 s) [A] | 100 |
| Průměr [mm] | 49.7 |
| Délka [mm] | 51 |
| Délka celková [mm] | 75 |
| Průměr hřídele [mm] | 6 |
| Hmotnost [g] | 350 |
| Počet pólů | 14 |
| Časování [°] | 15 - 25 |
| Regulátor [A] | 120 - 150 |
| Větroň do hmotnosti [g] | 5500 |
| Trenér do hmotnosti [g] | 5000 |
| Akrobat do hmotnosti [g] | 4200 |
| 3D do hmotnosti [g] | 3300 |
| Doporučená vrtule (6S) | 14x8”–16x8” |
| Doporučená vrtule | |
| 6S: 14x8”–16x8” | |
Doporučené příslušenství
![]() | MAV0037 Název zboží: MAV IBEX 145 SBEC ESC Cena: 8490,00 ![]() Dostupnost: skladem u dodavatele (expedice do 48 hodin) Programovatelný telemetrický střídavý regulátor pro modely letadel. Trvalý proud 140A (špičkový 200A), napájení 4-12 LiPo článků, spínaný BEC 5,5-8,4V/15A, hmotnost 180g, rozměry 74x53x31mm. Kompatibilní s telemetrií JETI Duplex EX, Futaba S.BUS2, Multiplex MSB, Graupner Hott, PowerBox P2Bus, Spektrum SRXL2. Programování s JETIBOXem nebo USB interfejsem MAV Sense na PC. |
![]() | KAV32.31063 Název zboží: KAVAN Smart PRO-120HV Opto Cena: 7490,00 ![]() Dostupnost: skladem u dodavatele (expedice do 48 hodin) Programovatelný telemetrický OPTO střídavý regulátor pro modely letadel. Trvalý proud 120A (špičkový 160A), napájení 4-14 LiPo článků, OPTO regulátor bez BEC, hmotnost 110g, rozměry 58x53x24mm. Kompatibilní s telemetrií KAVAN V20, JETI Duplex EX, Futaba S.BUS2, Multiplex MSB, Graupner Hott, PowerBox P2Bus, Spektrum SRXL2. Programování s JETIBOXem nebo USB interfejsem KAVAN Smart nebo MAV Sense na PC. |
![]() | KAV32.31069 Název zboží: KAVAN Smart PRO-115HV SBEC ACRO Cena: 6990,00 ![]() Dostupnost: nedostupné Programovatelný telemetrický střídavý regulátor optimalizovaný pro akrobatické modely letadel. Trvalý proud 110A (špičkový 170A), napájení 2-12 LiPo článků, spínaný BEC 5,5-8,4V/15A, hmotnost 125g, rozměry 88x32x20mm. Kompatibilní s telemetrií KAVAN V20, JETI Duplex EX, Futaba S.BUS2, Multiplex MSB, Graupner Hott, PowerBox P2Bus, Spektrum SRXL2. Programování s JETIBOXem nebo USB interfejsem KAVAN Smart nebo MAV Sense na PC. |
![]() | KAV32.31062 Název zboží: KAVAN Smart PRO-130HV Opto Cena: 6790,00 ![]() Dostupnost: skladem u dodavatele (expedice do 48 hodin) Programovatelný telemetrický OPTO střídavý regulátor pro modely letadel. Trvalý proud 130A (špičkový 180A), napájení 4-12 LiPo článků, OPTO regulátor bez BEC, hmotnost 110g, rozměry 58x53x28mm. Kompatibilní s telemetrií KAVAN V20, JETI Duplex EX, Futaba S.BUS2, Multiplex MSB, Graupner Hott, PowerBox P2Bus, Spektrum SRXL2. Programování s JETIBOXem nebo USB interfejsem KAVAN Smart nebo MAV Sense na PC. |
![]() | KAV32.31068 Název zboží: KAVAN Smart PRO-115HV SBEC Cena: 6490,00 ![]() Dostupnost: skladem u dodavatele (expedice do 48 hodin) Programovatelný telemetrický střídavý regulátor pro modely letadel. Trvalý proud 80A (špičkový 120A), napájení 2-12 LiPo článků, spínaný BEC 5,5-8,4V/15A, hmotnost 81g, rozměry 80x30x13,5mm. Kompatibilní s telemetrií KAVAN V20, JETI Duplex EX, Futaba S.BUS2, Multiplex MSB, Graupner Hott, PowerBox P2Bus, Spektrum SRXL2. Programování s JETIBOXem nebo USB interfejsem KAVAN Smart nebo MAV Sense na PC. |
![]() | KAV32.31055 Název zboží: KAVAN PRO-160HV Opto střídavý regulátor 160A Cena: 4590,00 ![]() Dostupnost: skladem u dodavatele (expedice do 48 hodin) Programovatelný střídavý regulátor pro velké modely letadel s vysokým napájecím napětím (HV). Trvalý proud 160A (špičkový 200A), napájení 6-14 LiPo článků, OPTO (galvanicky oddělená řídící a výkonová část elektroniky), hmotnost 221g, rozměry 110x50x33mm. |
![]() | KAV32.31050 Název zboží: KAVAN PRO-130HV Opto střídavý regulátor 130A Cena: 3690,00 ![]() Dostupnost: skladem u dodavatele (expedice do 48 hodin) Programovatelný střídavý regulátor pro velké modely letadel s vysokým napájecím napětím (HV). Trvalý proud 130A (špičkový 160A), napájení 6-14 LiPo článků, OPTO (galvanicky oddělená řídící a výkonová část elektroniky), hmotnost 221g, rozměry 110x50x33mm. |
Doporučené příslušenství pro modely
![]() | A410V2R Název zboží: 60" Game Bird EXP V2 - Červená 1,52m Cena: 13990,00 ![]() Dostupnost: skladem u dodavatele (expedice do 48 hodin) ARF stavebnice 3D akrobatického speciálu o rozpětí 1 524 mm, určená pro pohon elektromotorem. Velmi lehká konstrukční stavba, mnoho uhlíkových dílů. |
![]() | A410V2G Název zboží: 60" Game Bird EXP V2 - Zelená 1,52m Cena: 13990,00 ![]() Dostupnost: skladem u dodavatele (expedice do 48 hodin) ARF stavebnice 3D akrobatického speciálu o rozpětí 1 524 mm, určená pro pohon elektromotorem. Velmi lehká konstrukční stavba, mnoho uhlíkových dílů. |
![]() | A297V2YR Název zboží: 60" Yak 54 V2 - Žlutá/Červená 1,52m Cena: 13990,00 ![]() Dostupnost: skladem u dodavatele (expedice do 48 hodin) ARF stavebnice 3D akrobatického speciálu o rozpětí 1 524 mm, určená pro pohon elektromotorem. Velmi lehká konstrukční stavba, mnoho uhlíkových dílů. |
![]() | A225V2RB Název zboží: 60" Edge 540T V2 EXP - Červená/Černá 1,52m Cena: 13490,00 ![]() Dostupnost: nedostupné ARF stavebnice 3D akrobatického speciálu o rozpětí 1 524 mm, určená pro pohon elektromotorem. Velmi lehká konstrukční stavba, mnoho uhlíkových dílů. |
![]() | A225V2BY Název zboží: 60" Edge 540T V2 EXP - Modro/Žlutá 1,52m Cena: 13490,00 ![]() Dostupnost: nedostupné ARF stavebnice 3D akrobatického speciálu o rozpětí 1 524 mm, určená pro pohon elektromotorem. Velmi lehká konstrukční stavba, mnoho uhlíkových dílů. |
![]() | A421RS Název zboží: 60" Extra NG - Červená/Stříbrná 1,52m Cena: 13490,00 ![]() Dostupnost: skladem u dodavatele (expedice do 48 hodin) ARF stavebnice 3D akrobatického speciálu o rozpětí 1 524 mm, určená pro pohon elektromotorem. Velmi lehká konstrukční stavba, mnoho uhlíkových dílů. |
![]() | A421BWS Název zboží: 60" Extra NG - Modrá/Bílá/Stříbrná 1,52m Cena: 13490,00 ![]() Dostupnost: skladem u dodavatele (expedice do 48 hodin) ARF stavebnice 3D akrobatického speciálu o rozpětí 1 524 mm, určená pro pohon elektromotorem. Velmi lehká konstrukční stavba, mnoho uhlíkových dílů. |
![]() | A269V3RWG Název zboží: 60" Laser-EXP V3 Červená/Bílá/Zlatá 1,52m Cena: 13490,00 ![]() Dostupnost: skladem u dodavatele (expedice do 48 hodin) ARF stavebnice 3D akrobatického speciálu o rozpětí 1 524 mm, určená pro pohon elektromotorem. Velmi lehká konstrukční stavba, mnoho uhlíkových dílů. |
![]() | A372V3YR Název zboží: 60" Slick 580 V3 - Žlutá/Červená/Šedá 1,52m Cena: 13490,00 ![]() Dostupnost: skladem u dodavatele (expedice do 48 hodin) ARF stavebnice 3D akrobatického speciálu o rozpětí 1 524 mm, určená pro pohon elektromotorem. Velmi lehká konstrukční stavba, mnoho uhlíkových dílů. |
![]() | A297V2WB Název zboží: 60" Yak 54 V2 - Bílá/Modrá 1,52m Cena: 13490,00 ![]() Dostupnost: skladem u dodavatele (expedice do 48 hodin) ARF stavebnice 3D akrobatického speciálu o rozpětí 1 524 mm, určená pro pohon elektromotorem. Velmi lehká konstrukční stavba, mnoho uhlíkových dílů. |
![]() | A232V2RB Název zboží: 60" Extra 300 EXP V2 - žlutá/červená 1,52m Cena: 12990,00 ![]() Dostupnost: nedostupné ARF stavebnice 3D akrobatického speciálu o rozpětí 1 524 mm, určená pro pohon elektromotorem. Velmi lehká konstrukční stavba, mnoho uhlíkových dílů. |
![]() | 4ST2260E-04 Název zboží: 60" Extra NG 1524mm Červeno-Černá Cena: 10990,00 ![]() Dostupnost: nedostupné ARF stavebnice polomakety akrobatického speciálu o rozpětí 1 524 mm, určená pro pohon elektromotorem. Velmi lehká konstrukční stavba z balsy a překližky olaminované uhlíkovou tkaninou, mnoho uhlíkových dílů. Balení obsahuje přepravní obal na křídla. |
![]() | 4ST2260E-01 Název zboží: 60" Extra NG 1524mm Červeno-Modrá Cena: 10990,00 ![]() Dostupnost: skladem u dodavatele (expedice do 48 hodin) ARF stavebnice polomakety akrobatického speciálu o rozpětí 2 630 mm, určená pro pohon spalovacím benzínovým motorem o obsahu 80-120 ccm. Velmi lehká stavba z uhlíkem potažené překližky, potah fólií Oracover, mnoho uhlíkových dílů. |
![]() | 4ST2260E-02 Název zboží: 60" Extra NG 1524mm Zeleno-Černá Cena: 10990,00 ![]() Dostupnost: nedostupné ARF stavebnice polomakety akrobatického speciálu o rozpětí 2 630 mm, určená pro pohon spalovacím benzínovým motorem o obsahu 80-120 ccm. Velmi lehká stavba z uhlíkem potažené překližky, potah fólií Oracover, mnoho uhlíkových dílů. |
![]() | 4ST2260L-08 Název zboží: 60" Laser 1528mm Oranžovo-Černá Cena: 10990,00 ![]() Dostupnost: nedostupné ARF stavebnice polomakety akrobatického speciálu o rozpětí 1 702 mm, určená pro pohon spalovacím benzínovým motorem o obsahu 20 ccm nebo elektromotorem. Velmi lehká konstrukční stavba z balsy a překližky olaminované uhlíkovou tkaninou, mnoho uhlíkových dílů. |
![]() | 4ST2260L-07 Název zboží: 60" Laser 1528mm Zeleno-Černá Cena: 10990,00 ![]() Dostupnost: nedostupné ARF stavebnice polomakety akrobatického speciálu o rozpětí 1 702 mm, určená pro pohon spalovacím benzínovým motorem o obsahu 20 ccm nebo elektromotorem. Velmi lehká konstrukční stavba z balsy a překližky olaminované uhlíkovou tkaninou, mnoho uhlíkových dílů. |
![]() | 4ST2260S-05 Název zboží: 60" Slick 1526mm Červeno-Šedý Cena: 10990,00 ![]() Dostupnost: nedostupné ARF stavebnice polomakety akrobatického speciálu o rozpětí 1 526 mm, určená pro pohon elektromotorem. Velmi lehká konstrukční stavba z balsy a překližky olaminované uhlíkovou tkaninou, mnoho uhlíkových dílů. Balení obsahuje přepravní obal na křídla. |
![]() | 4ST2260S-02 Název zboží: 60" Slick 1526mm Zeleno-Modrý Cena: 10990,00 ![]() Dostupnost: nedostupné ARF stavebnice polomakety akrobatického speciálu o rozpětí 1 702 mm, určená pro pohon spalovacím benzínovým motorem o obsahu 20 ccm nebo elektromotorem. Velmi lehká konstrukční stavba z balsy a překližky olaminované uhlíkovou tkaninou, mnoho uhlíkových dílů. |
![]() | 4ST2260S-04 Název zboží: 60" Slick 1526mm Zeleno-Šedý Cena: 10990,00 ![]() Dostupnost: nedostupné ARF stavebnice polomakety akrobatického speciálu o rozpětí 1 526 mm, určená pro pohon elektromotorem. Velmi lehká konstrukční stavba z balsy a překližky olaminované uhlíkovou tkaninou, mnoho uhlíkových dílů. Balení obsahuje přepravní obal na křídla. |
![]() | OMPP004Y Název zboží: 60” Edge 540 ARF - žlutá 1,52m Cena: 10990,00 ![]() Dostupnost: skladem u dodavatele (expedice do 48 hodin) ARF stavebnice 3D akrobatického speciálu o rozpětí 1 524 mm, určená pro pohon střídavým elektromotorem 1200-1600W se 6S LiPo. Velmi lehká konstrukční stavba z dílů vyztužených Kevlarem® a uhlíkem, mnoho uhlíkových dílů. |


obsah košíku
ceník ke stažení





























